F35CS 中空筒式壓力傳感器
-
分類:耐創 Forcechina
型號:
品牌:
瀏覽:
專線:400-877-3100
- 立即訂購400-877-3100
跟此相關的產品
-
產品詳情
-
聯系我們
F35CS 中空筒式壓力傳感器性能特點:
※ 可做成標準輸出傳感器或數字式傳感器,直通PC或PLC;
※ 具有抗偏、抗側能力、精度高、性能穩定;
※ 用于各種量程的電子秤、料斗秤、皮帶秤和電子測力系統。安裝使用方便;
※ 焊接密封。
技術參數:
| 額定載荷 | 27T |
| 靈敏度 | 2.0±0.01mv/v |
| 非線性 | ±0.02~±0.05%FS |
| 滯后 | ±0.02~±0.05%FS |
| 重復性 | 0.02~0.03%FS |
| 蠕 變 | ±0.02~±0.05%FS/30min |
| 蠕變恢復 | ±0.02~±0.05%FS/30min |
| 零點輸出 | 2%FS |
| 零點溫度系數 | 0.02~0.05%FS/10℃ |
| 額定輸出溫度系數 | 0.02~0.05%FS/10℃ |
| 輸出電阻 | 700Ω |
| 絕緣電阻 | ≥5000MΩ |
| 供橋電壓 | 5~15V |
| 允許溫度范圍 | -20~+150℃ |
| 允許過負荷 | 150%FS |
| 連接方式 |
輸入input:紅Red(+)黃Yellow(-) 輸出output:蘭Blue(+)白White(-) |
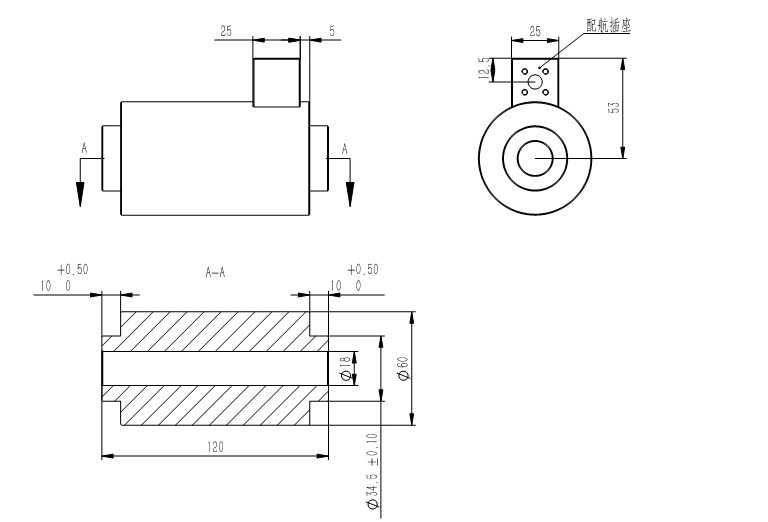
結構圖1:
關鍵詞:中孔筒式壓力傳感器/中孔壓力傳感器/壓力傳感器;
如需咨詢更詳細說明,及使用情況請聯系我們
上海耐創測試技術有限公司
電話:021-39197548
網址:http://www.franck.com.cn/;








滬公網安備 31011402003414號